Auteur |
Message |
brice

Inscrit le: 13 Mai 2011 Messages: 27
|
Posté le: Lun Nov 05, 2012 10:21 pm Sujet du message: cotation d'une référence commune |
|
|
bonjour,
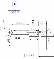
J'aimerai mettre une référence commune pour 3 trous cylindriques coaxiaux de diamètre différent. Pouvez vous me dire si ma cotations est correct. Il s'agit de la référence K sur ma schéma.
Merci par avance
|
|
| Revenir en haut de page |
|
 |
brice

Inscrit le: 13 Mai 2011 Messages: 27
|
Posté le: Lun Nov 05, 2012 10:33 pm Sujet du message: |
|
|
Avec la fichier joint, c'est mieux
| Description: |
|
 Télécharger |
| Nom du fichier: |
cotation.xls |
| Taille du fichier: |
180 Ko |
| Téléchargé: |
1284 fois |
|
|
| Revenir en haut de page |
|
 |
Eric

Inscrit le: 13 Nov 2008 Messages: 182 Localisation: Roanne (42)
|
Posté le: Mar Nov 06, 2012 2:01 pm Sujet du message: |
|
|
Bonjour,
Je ne vois rien d'incorrect sur les spécifications en bleu de votre schéma.
La tolérance de rectitude en zone commune est bien définie et la référence K également.
Cordialement
_________________ Le temps est un mauvais maître mais le meilleur des serviteurs. |
|
| Revenir en haut de page |
|
 |
brice

Inscrit le: 13 Mai 2011 Messages: 27
|
Posté le: Mar Nov 06, 2012 2:54 pm Sujet du message: |
|
|
| Merci pour le retour
|
|
| Revenir en haut de page |
|
 |
Nicolas

Inscrit le: 19 Aoû 2009 Messages: 37 Localisation: Poissy
|
Posté le: Jeu Déc 06, 2012 9:25 pm Sujet du message: |
|
|
Bonjour,
Ca me parait également correct (respect de l'ISO 5459 : 2011).
En utilisation dans le cadre de tolérance, pense à écrire "K-K" pour construire la référence commune (écrire "K" tout seul ne suffit pas).
Bravo pour l'exemple ,
Nicolas
_________________ A quoi sert une mesure si elle n'est pas la bonne ? |
|
| Revenir en haut de page |
|
 |
brice

Inscrit le: 13 Mai 2011 Messages: 27
|
Posté le: Jeu Déc 06, 2012 11:16 pm Sujet du message: |
|
|
| Merci, donc si je comprend pas bien, il faut que dans les cadres de tolérancement géo., je dois mettre K-K, même si en faite, ma référence commune est définie sur 3 cylindre et non 2
|
|
| Revenir en haut de page |
|
 |
cfc.technic Site Admin

Inscrit le: 15 Avr 2007 Messages: 665 Localisation: Neuilly Sur Seine
|
Posté le: Sam Déc 08, 2012 9:21 am Sujet du message: |
|
|
Bonjour,
Effectivement, l'écriture est A-A, mais si vous avez 2, 3, ou n éléments de référence.
Cdl
|
|
| Revenir en haut de page |
|
 |